Bottom combustion solid fuel boiler KV-Profi series 12-16 kW
Specifications
ADVANTAGES OF THE "KV-PROFI" SERIES BOILERS:
- Double thermal insulation of all boiler doors;
- The presence of a steel boiler shaft cladding: - neutralizes the negative impact of the cold coolant (water) on the combustion process, promotes more complete combustion of fuel and, accordingly increases the efficiency of the boiler,
- is an optimal solution when using various types of fuel, additionally protects the steel walls of the boiler from condensate;
- Availability of a grate shake-off mechanism;
- The presence of mechanical regulation of the thermal power (by changing the area of the grate) of the boiler - makes it possible to operate without reducing the efficiency of the boiler at lower capacities (during the off-season and warm winters), unlike boilers without this option, in which the efficiency in a similar situation is significantly reduced;
- The handle for adjusting the direct draft valve of the boiler is located on the front wall of the boiler for convenience;
- The presence of an additional air damper on the upper door of the boiler - when using fuel (wood) with high humidity;
- The ability to install heating elements on all boilers, i.e. the boiler can operate as an electric boiler;
- The ability to operate the boiler without electricity;
- Warranty - 5 years;
| Parameters | Unit of measure | KV profi 12-16 KW |
| Boiler rated power | kw | 16 |
| Heat exchange surface area | m2 | 2,3 |
| Heating area | m2 | 120-160 |
| Used fuel | wood, coal, briquettes | |
| Coefficient of efficiency | % | 86 |
| BOILER OVERALL DIMENSIONS | ||
| Height | mm | 1036 |
| Width | mm | 721 |
| Depth | mm | 1160 |
| FIREPLACE DIMENSIONS | ||
| Height | mm | 500 |
| Width | mm | 300 |
| Depth | mm | 489 |
| Furnace volume | l | 73,35 |
| The length of the log | mm | 460 |
| Flue gas temperature at the boiler outlet | °C | 180 |
| Recommended minimum water temperature | °C | 55 |
| Maximum water temperature | °C | 95 |
| Nominal water pressure | MPа | 2 |
| Boiler water capacity | l | 58 |
| Boiler weight without water | Kg | 304 |
| Diameter of the direct and return network water pipes (DN) | mm | 40 |
| Connecting outer diameter of the drill bit | mm | 158 |
| RECOMMENDED CHIMNEY PARAMETERS | ||
| Chimney connection dimensions | mm | 160 |
| Chimney height | m | 7-8 |
| FIREPLACE DOOR DIMENSIONS | ||
| Height | mm | 352 |
| Width | mm | 300 |
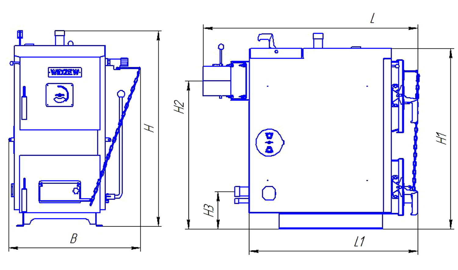
OVERALL DIMENSIONS OF THE "KV PROFI" BOILER 12-16 KW
| Dimensions | Unit of measure | KV profi 12-16 KW |
| H | mm | 1036 |
| H1 | mm | 957 |
| H2 | mm | 784 |
| H3 | mm | 197 |
| L | mm | 1160 |
| L1 | mm | 914 |
| B | mm | 728 |


| 1. Boiler body | 13. Grill grate |
| 2. Firebox and ash chamber door | 14. Plate heat exchangers |
| 3. Loading door | 15. Thermal insulation |
| 4. Primary air damper | 16. Thermometer |
| 5. Secondary air supply regulator | 17. Mechanical boiler power regulator |
| 6. Heat carrier supply pipe | 18. Furnace |
| 7. Heat carrier circulation (return) pipe | 19. Place of installation of the heating element |
| 8. Coolant drain pipe | 20. Mechanical thermostat |
| 9. Chimney pipe | 21. Fan |
| 10. Chimney damper | 22. Steel body kit (Lining) |
| 11. Ash tray | 23. Grate shaking mechanism |
| 12. Turbulizers | 24. Direct-pull valve |











