Твердопаливний котел 20-25 кВт КВ
Технічні характеристики
Універсальне рішення для опалення будинку
Обираєте між потужністю 20, 24 або 25 кВт? Вам не потрібно гадати. Дана модель твердопаливного котла серії КВ — це котел з модульованою тепловою потужністю в діапазоні від 20 до 25 кВт. Це означає, що за допомогою регулятора тяги або автоматики ви можете налаштувати його роботу ідеально під вашу площу:
- Режим 20 кВт: Для економного опалення в міжсезоння або будинків площею до 200 м2.
- Режим 24 кВт: Номінальний режим (стандарт) для будинків площею 220-240 м2.
- Режим 25 кВт: Максимальна потужність для сильних морозів або будинків до 250 м2.
| Необхідна потужність | Рекомендована площа будинку* | Режим роботи котла |
| 20 кВт | 180 — 200 м2 | Економічний (тривале тління) |
| 24 кВт | 220 — 240 м2 | Номінальний (оптимальний ККД) |
| 25 кВт | до 250 м2 | Максимальний (швидкий прогрів) |
| Параметри | Од.вим. | КВ 20-25 КВТ |
| Номінальна потужність котла | кВт | 20-25 |
| Площа теплообмінника | м2 | 2,25 |
| Площа обігріву | м2 | 200-250 |
| Паливо | Дрова, вугілля, брикети | |
| ККД | % | 82 |
| РОЗМІРИ ТОПКИ | ||
| Висота | мм | 640 |
| Ширина | мм | 350 |
| Глибина | мм | 628 |
| Об'єм топки | л | 96 |
| Довжина поліна | мм | 500 |
| Температура димових газів на виході з котла | °C | 180 |
| Рекомендована мінімальна температура води | °C | 55 |
| Максимальна температура води | °C | 95 |
| Номінальний тиск води | Мпа | 2 |
| Приєднувальні розміри димоходу | мм | 160 |
| Висота димохода | м | 6-7 |
| Водяна ємність котла | л | 69 |
| Вага котла без води | кг | 243 |
| РОЗМІРИ ДВЕРЦЯТ ТОПКИ | ||
| Висота | мм | 260 |
| Ширина | мм | 350 |
ГАБАРИТНІ РОЗМІРИ КОТЛА КВ 20-25 КВТ
| Габаритні розміри | Од.вим. | КВ 20-25 КВТ |
| H | мм | 1147 |
| H1 | мм | 1066 |
| H2 | мм | 897 |
| H3 | мм | 191 |
| L | мм | 1042 |
| L1 | мм | 921 |
| B | мм | 536 |


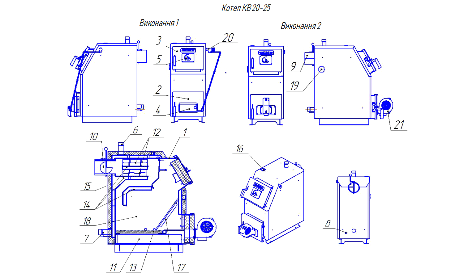
| 1. Корпус | 12.Турбулізатори |
| 2.Дверцята топки та зольної камери | 13.Колосник |
| 3.Дверцята завантажувальні | 14.Пластинчасті теплообмінники |
| 4.Заслінка первинного повітря | 15.Теплоізоляція |
| 5.Регулятор подачі вторинного повітря | 16.Термометр |
| 6.Патрубок подачі теплоносія | 17.Механічний регулятор потужності котла |
| 7.Патрубок обороту теплоносія (обратка) | 18.Топка |
| 8.Патрубок зливу теплоносія | 19.Місце встановлення ТЕН |
| 9.Патрубок димоходу | 20.Терморегулятор механічний |
| 10.Заслінка димоходу | 21.Вентилятор |
| 11.Зольний ящик |
Як правильно обрати та купити котел 20-25 кВт?
При опаленні будинків площею понад 200 м2 критично важливо мати запас потужності. Часто розрахунки показують потребу у 22 або 23 кВт. У такому разі купівля котла "впритул" (на 20 кВт) призведе до того, що у мороз обладнання працюватиме на межі можливостей, що прискорює його знос.
Обираючи твердопаливний котел 24 кВт (стандарт) або цю модель з діапазоном 20-25 кВт, ви отримуєте надійний агрегат із необхідним запасом. Модель КВ 20-25 легко справляється з піковими навантаженнями та є ідеальною альтернативою популярним котлам на 24 кВт. На нашому сайті ви можете замовити котел потужністю 20 кВт, 24 кВт або 25 кВт з безкоштовною доставкою по Україні. Ціна від виробника, офіційна гарантія 3 роки.








